Водогрейный котел КВм-2,5 МВт имеет систему движения потока воды исключающую образование застойных зон, перегрев поверхностей нагрева, обеспечивает хороший теплосъем, отсутствие накипи и, следовательно, необходимость в водоподготовке. Качественная газоплотная теплоизоляция котла гарантирует максимальное уменьшение потерь тепла через стенки котла и отсутствие присосов холодного воздуха в топку, делая процесс горения топлива более интенсивным и эффективным.
Большой объем топочной камеры обеспечивает более полное выгорание топлива и снижает механический и химический недожог. Котел КВм 2,5 с развитой конвективной поверхностью нагрева имеет температуру уходящих газов не более 200 °С и как следствие минимально возможные потери с уходящими газами. Котел КВм 2,5 МВт изначально разработан с целью снижения прямых затрат при производстве тепловой энергии за счет эффективного сжигания топлива и удобства его эксплуатации.
Водогрейный твердотопливный стальной отопительный котел с топкой ТЛПХ КВм-2,5 мощностью 2,5 МВт (2,15 Гкал) предназначен для получения горячей воды номинальной температурой на выходе из котла 115 °С рабочим давлением до 0,6 (6,0) МПа (кгс/см), используемой в системах централизованного теплоснабжения на нужды отопления, горячего водоснабжения.
Водогрейный котел КВм-2,5 МВт конструктивно выполнен двухблочным – блок котла и топочное устройство - топка ленточная прямого хода ТЛПх-1,1-3,0. Блок водогрейного котла КВм-2,5 представляет собой сварную конструкцию, состоящую из трубной системы (радиационной и конвективной поверхности нагрева), опорной рамы и каркаса с теплоизоляционными материалами, обшитого листовой сталью. Котлы имеют П-образную сомкнутую компоновку. Топочная камера котлов состоит из труб Ø 57x3,0 мм.
Конвективная поверхность нагрева состоит из пакетов змеевиковой формы выполненных из труб Ø 32x3,0 мм, для интенсификации теплообмена трубы пакетов расположены в шахматном порядке. Газы в конвективной части проходят два хода и выходят через газоход в верхней части задней стенки котла. Топочная камера водогрейного котла выполнена газоплотной путем плавникового оребрения. На боковых панелях топочной камеры предусмотрены топочные двери для наблюдения за слоем топлива. В газоплотной части котельного блока изоляция выполнена облегченной из плит ПТЭ. В негазоплотной части котельного блока теплоизоляция выполнена из муллитокремнеземистого картона и войлока. Обшивка водогрейных котлов выполнена из стальных листов. Для очистки конвективных поверхностей нагрева от сажистых и золовых отложений предусмотрены люки.
Водогрейный твердотопливный котел КВм-2,5 с ТЛПХ устанавливается в котельных с механическим шлакоудалением и топливоподачей. Блок котла устанавливается на раму топки. Механическая топка с ленточной колосниковой решеткой прямого хода ТЛПХ состоит из угольного ящика, рамы с приводом и ведущим и ведомым валами, передвигающими ленточное колосниковое полотно, состоящее из трех типов колосников: крайних, ведущих и ведомых. Топливо подается транспортером углеподачи ленточного либо скребкового типа, через угольный ящик самотеком поступает на решетку, где сжигается в слое 100-200 мм.
Определенная толщина слоя топлива на колосниковой решетке поддерживается при помощи регулятора слоя в угольном ящике и производится вручную посредством маховиков через червячные передачи. Под решеткой организованы камеры (зоны), куда подается необходимый воздух для горения. Подача воздуха должна быть непрерывна (иначе происходит спекание слоя и пережог колосников) и регулируется величиной открывания воздушных шиберов. Воздух под колосниковую решетку и на вторичное дутье подается от одного вентилятора котла. Удаление шлака с колосниковой решетки происходит за счет движения колосникового полотна, которое приводится в движение приводом. Удаление шлака из шлакового канала производится транспортером шлакозолоудаления.
Котел стальной водогрейный КВм 2,5 с ТЛПХ поставляется готовым блоком в обшивке с чугунными топочными дверками и механической топкой ТЛПХ с приводом. С котлом и топкой поставляются паспорта и инструкции по эксплуатации.
По запросу поставляется комплект обязательной арматуры, КИП и ДВ: затворы дисковые - 2 шт, запорные вентили - комплект, предохранительные клапаны - 2 шт, термометры с оправой - 2 шт, манометры с кранами - 2 шт, дутьевой вентилятор - 1 шт.
Котлы КВм-2,5 с ТЛПХ имеют два варианта поставки:
Автоматика топки ТЛПХ
Твердотопливный котел КВм 2,5 с ТЛПХ работает с ДН 8 с дв. 15/1500 при сжигании каменного и дымососом ДН 9 с дв. 15/1500 при сжигании бурого угля. При установке дымососа на группу котлов, дымосос подбирается индивидуально согласно опросному листу.
При необходимости за котлом перед дымососом может устанавливаться золоуловитель ЗУ 2,15 или циклоны ЦН. При работе с золоуловителем устанавливается дымосос ДН 9 с дв. 15/1500.
Для обеспечения циркуляции воды через котел КВм 2,5 с ТЛПХ либо группу котлов применяется циркуляционный насос, для подпитки котла применяется подпиточный насос.
Дымовая труба - подбирается по техзаданию, на котел или группу котлов.
Транспортирование котлов может осуществляться автотранспортом и ж/д полувагонами. Для оценки стоимости доставки пришлите заявку и мы оперативно проведем расчет стоимости доставки котельного оборудования до вашего города или населенного пункта. Для вашего удобства предлагаем оформить заявку и уточнить интересующую вас информацию онлайн.
Котел поставляется двумя блоками максимальной заводской готовности. Топка устанавливается в котельной на специально подготовленную ровную поверхность и закрепляется анкерными болтами. Котельный блок устанавливается на топку. На месте монтажа под котлом выполняются стальные либо бетонные опоры. Далее котел подсоединяется по воде, устанавливается запорная арматура на подводящем и отводящем трубопроводе, устанавливаются предохранительные клапаны, дренажи и воздушники и контрольно измерительные приборы. В воздушный короб по месту врезается вентилятор, монтируется газоход. Подключается щит управления топкой.
Для того чтобы купить котел КВм 2,5, вы можете сделать заявку в отдел сбыта по телефону (38-52) 29-97-41 (42), либо оформить заявку онлайн. Наши менеджеры дадут консультацию по подбору вспомогательного оборудования для выбранных вами моделей и рассчитают стоимость доставки до вашего региона и населенного пункта. Также предлагаем вам выполнить проект реконструкции котельной.
Цена от 30 тысяч рублей. В стоимость входят - выезд специалиста на объект, подбор вспомогательного оборудования, разработка проекта реконструкции тепломеханической части котельной, смета на выполнение работ, дефектная ведомость.
Цена водогрейного котла КВм-2,5 с ТЛПХ в Йошкар-Оле включает в себя котельный блок в изоляции, механическую топку ТЛПХ с движущимся колосниковым полотном, вентили, затворы, манометры, термометры, вентилятор поддува и предохранительные клапаны. Ниже приведена подробная информация.
Для эффективной и надежной работы котла КВм-2,5 с ТЛПХ в вашей котельной вам потребуется дополнительное оборудование - автоматика ЩУК, дымосос, насос сетевой и подпиточный, золоуловитель (по желанию), транспортеры, газоходы и переходники для газового тракта, дымовая труба. Мы предлагаем рассмотреть типовые варианты комплектации.
В случае если у вас на объекте уже имеется насосное и тягодутьевое оборудование, мы можем проверить совместимость котла КВм-2,5 с ТЛПХ нашего производства и вашего оборудования.
Можем изготовить нестандартные узлы для выполнения быстрого монтажа котла - газоходы и узлы обвязки.
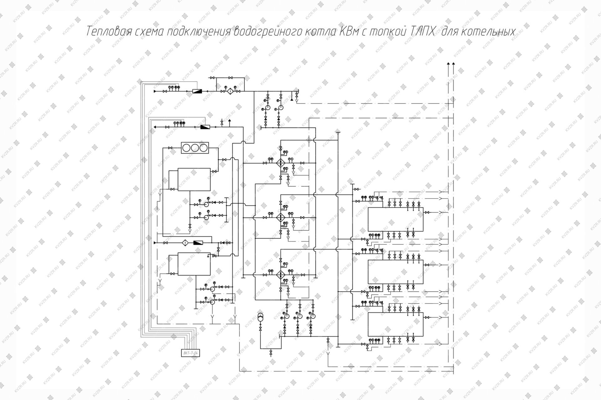
Типовую схему монтажа котла вы можете посмотреть во вкладке схемы подключения и монтаж.
Водогрейный твердотопливный стальной отопительный котел КВм-2,5 с ТЛПХ, предназначен для получения горячей воды номинальной температурой на выходе из котла от 95 до 115 °С рабочим давлением до 0,6 (6,0) МПа (кгс/см), используемой в системах централизованного теплоснабжения на нужды отопления, горячего водоснабжения. Устанавливается в производственных, промышленных и отопительных котельных.
Монтаж водогрейного котла КВм-2,5 с ТЛПХ и вспомогательного оборудования в котельной должно производиться в соответствии с проектом и учетом требований СП 89.13330. 2016 «Котельные установки. Актуализированная редакция СНиП II-35-76» и «Правил устройства и безопасной эксплуатации паровых котлов с давлением пара не более 0,07 МПа (0,7 кгс/см2), водогрейных котлов и водоподогревателей с температурой нагрева воды не выше 388 К (115 С). Правильный монтаж котла – залог его надежной и долгой работы.
Чтобы правильно подключить котел КВм-2,5 с ТЛПХ в котельной необходимо оставить проемы для обслуживания оборудования во время эксплуатации. На представленной здесь схеме указаны их минимальные размеры. Кроме того, в данной примерной схеме монтажа водогрейных котлов и оборудования указан перечень минимально необходимого вспомогательного оборудования для правильной работы котла.
К вспомогательному оборудованию при подключении промышленного водогрейного котла КВм с ТЛПХ относят - щит управления котлом, насос циркуляционный, насос подпиточной воды, бак запаса воды, расширительный мембранный бак, транспортеры, дымовую трубу, систему газоходов и дымосос, золоуловитель (по желанию).
В случае если подпиточная вода не соответствует по своим характеристикам требованиям к питательной воде, необходимо предусмотреть систему водоподготовки котловой воды.
Для котельных 1 категории, являющиеся единственным источником тепла системы теплоснабжения и обеспечивающие потребителей первой категории, не имеющих индивидуальных резервных источников тепла, необходимо предусмотреть полное резервирование оборудования – подключение 2 (двух) котлов, насосов, ТДМ. Пунктиром обозначено оборудование для резервирования.
Для котельных 2 категории, включающие в себя промышленные и производственные котельные резервирование нужно предусматривать по необходимости.
Водогрейные котлы производства Котельный завод "РЭП" соответствуют строгим стандартам качества и безопасности. Завод производит котлы в соответствии с требованиями ГОСТ 30735-3001 по Техническим Условиям завода.
Котлы имеют все необходимые сертификаты соответствия Техническим регламентам Таможенного союза:
Водогрейный котел КВм-2,5 с ТЛПХ имеет гарантийный срок 24 месяца и срок работы при соблюдении правил монтажа и эксплуатации оборудования 10 лет.

Отзыв о работе котла КВр производства Котельный завод "РЭП", проработавшего на АО "Водоканал" г. Белокуриха 10 лет. Интервью предоставил заместитель главного директора по производству Суходоев Сергей Николаевич.

Интервью с главным энергетиком базового комплекса "Сводор" г. Барнаул о работе водогрейного котла нашего производства, отапливающего предприятие с 2008 года.
Водогрейные котлы, мощностью от 175 КВт до 4 МВт используются для отопления производственных, административных и жилых зданий. Котельный завод производит и поставляет весь перечень сопутствующего котельного оборудования- насосы, газоходы, автоматику, дымососы, дымовые трубы, циклоны и прочее. Специалисты нашего завода бесплатно подберут сопутствующее оборудование, а в случае необходимости, выполнят проектирование, монтаж и пуско-наладку котельной установки.
Подобрать мощность котла по площади важно учитывая не только площадь и объем здания, но и тип зданий и климатические данные региона.
На нашем сайте калькулятор расчета мощности котла учитывает тепло, требуемое на возмещение тепловых потерь через строительные конструкции и потери, вызываемые инфильтрацией (проникновением) наружного воздуха, через их неплотности и периодически открываемые двери.
Наружный строительный объем здания должен определяться умножением площади горизонтального сечения, взятого по внешнему обводу здания на уровне первого этажа на полную высоту здания, измеренную для панельных зданий: от уровня чистого пола (нулевой отметки) до верхней плоскости теплоизоляционного слоя чердачного покрытия, для остальных строений от уровня земли.
Расчетная температура воздуха в отапливаемых зданий принимается в зависимости от типа и назначения здания:
В случае если требуется отопление различных по типу зданий, теплопотребление каждого считается отдельно, полученные значения складываются и подобрать мощность котла нужно в соответствии с общей суммарной мощностью каждого отдельно стоящего задания.
Климатические условия вашего региона принимаются в соответствии с СП 131.13330 Строительная климатология. Данные по всем регионам России занесены в наш калькулятор расчета мощности котла.
Подобрать мощность котла по площади с учетом потребностей объекта в тепле на вентиляцию и горячую воду возможно только с более детальным расчетом. Его вы можете заказать в отделе сбыта котельного завода отправив заявку на электронный адрес sb@kvzr.ru или позвонив по телефонам (38-52) 29-97-41, 29-97-42.